modulare Summierer
ToolMod Faderbox
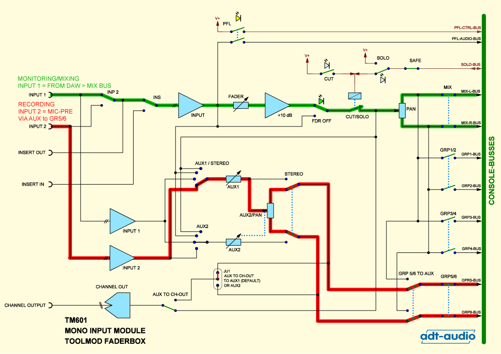
Inline Betrieb - Beispiel 1
Monitoring über Stereosumme MIX, Recording über Gruppe 5/6
In diesem Beispiel wird der Hauptsignalweg mit dem Flachbahnregler für das Monitoring verwendet. Der Aufnahmeweg wird über die Aux-Schaltung, die im Stereo-Modus betrieben wird, in Level und Pan geregelt und auf die Gruppe 5/6 aufgeschaltet, die als Stereosumme für das Aufnahmesignal verwendet wird.
Das Blockschaltbild zeigt die Signalwege für Monitoring in Grün und für Recording in Rot.
Der Übersichtlichkeit zuliebe beziehen sich die Blockschaltbilder auf das Mono-Eingangsmodul TM601. Die gleichen Verfahren sind ebenfalls mit den Stereo-Eingangsmodulen TM602 und - mit einer kleinen Einschränkung - mit dem Stem-Mixing Modul TM603 möglich, da die Stereo-Module den gleichen Signalverlauf für Stereosignale wie der TM601 für Monosignale haben.
Features
- Inline Funktion in allen Mono- und Stereo-Modulen integriert
- Monitoring und Aufnahme in einem Modul gleichzeitig in mehreren Versionen möglich
- Monitoring über Stereo-Summe oder über Gruppen
- Aufnahme über Gruppen, Stereo-Summe oder über den Kanalausgang
weitere Beispiele für Inline-Betrieb
Inline Betrieb
Beispiel 1
Beispiel 1
weitere Informationen
Eingangsmodule
Zubehör
![]() |
| Blockschaltbild Stereo Eingangsmodul TM602 HTML Version PDF Version |
![]() |
| Blockschaltbild Stem-Mixing Eingangsmodul TM603 HTML Version PDF Version |




