adt-audio Logo

ToolMod modulares analog Mischpult

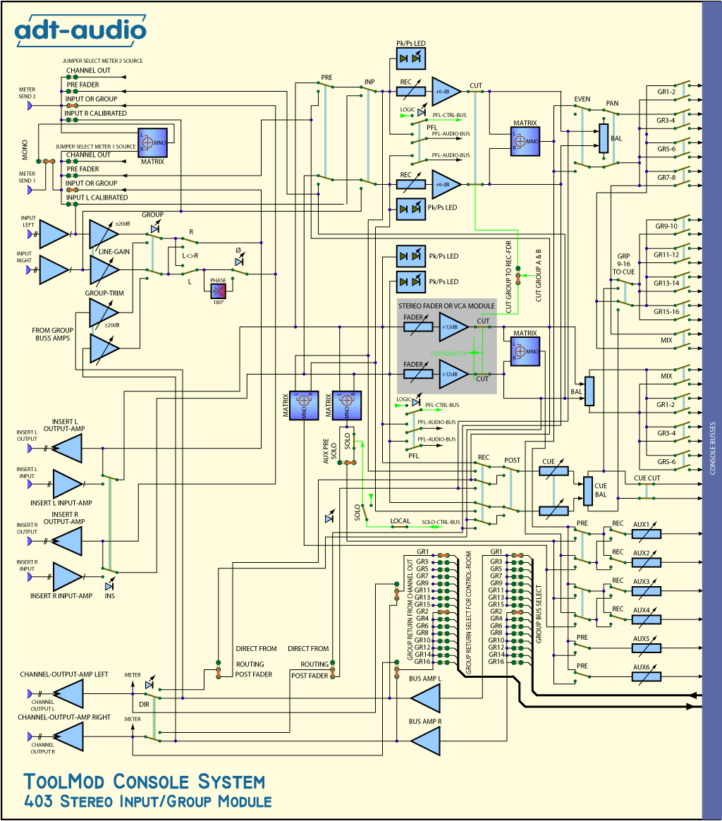
Stereo Eingangs- und Gruppen-Modul TM403 - Blockschaltbild

zur Stereo Eingangs- und Gruppen-Modul Homepage
Blockschaltbilder ToolMod Mischpult:
Eingangsmodul TM401 | Inline Modul TM402 | Stereo Eingangs-/Gruppen-Modul TM403 | Master-Modul TM411 
Abhörmodul TM412Einspiel Modul TM414 
Stereo Eingangs- und Gruppenmodul TM403 - Blockschaltbild
Index